海利普變頻器是丹麥丹佛斯旗下的全資子品牌,所生產的變頻器廣泛應用于起重、紡織、印染、石油、化工、建筑、建材、橡膠、塑料、包裝、印刷、造紙、食品、飲料、環保、水處理、機床等行業。
海利普變頻器主要由整流、濾波、逆變、驅動單元、制動單元、檢測單元微處理單元等組成。采用交-直-交工作原理,首先將三相交流電經整流模塊變換成直流,再進行濾波后,通過IGBT等其它電力電子器件逆變成頻率和電壓均可變的三相交流電供電機使用。同時,通過IGBT的開斷調整輸出電源的頻率和電壓,從而達到調速、節能的作用。以下是海利普各系列變頻器的接線示意圖。
HLP-A100系列通用矢量型變頻器接線圖

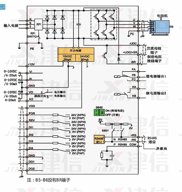
HLP-B系列高性能矢量型變頻器接線圖

HLP-C100 系列矢量型變頻器接線圖

HLP-G100系列工程型矢量變頻器接線圖


